Skip to main content

Dados para busca de Questões

Atenção: Não é obrigatório preencher todos os campos para executar a Pesquisa.



Total de Questões Encontradas: 3.635 de 252.126
Exibindo: Página 19 de 728

Questão: 91 / QT-345436
Ano: 2021
Banca: FGV
Órgão: Banestes
Cargo: Analista em Tecnologia da Informação - Desenvolvimento de Sistemas
Disciplina: Engenharia de Software

Gabriela está trabalhando na especificação de Casos de Uso para um novo sistema e constatou que o comportamento de um dos Casos de Uso requer a execução sistemática de procedimentos para controle e fluxo de dados, definidos por normas organizacionais da empresa que utilizará o sistema.


Com base na especificação da UML 2.5.1, para modelar o comportamento do Caso de Uso em questão, Gabriela deverá utilizar o diagrama de:

-

sequência; 

-

atividades; 

-

temporização; 

-

 causa e efeito;

-

ocorrências. 


Questão: 92 / QT-345437
Ano: 2021
Banca: FGV
Órgão: Banestes
Cargo: Analista em Tecnologia da Informação - Desenvolvimento de Sistemas
Disciplina: Banco de Dados

O banco de dados gerenciado por Paulo possui os dados a seguir.


Imagem associada para resolução da questão


Para atender a Lei Geral de Proteção de Dados Pessoais (LGPD), Paulo realizou um tratamento nos dados para perder a possibilidade de associação, direta ou indireta, a um indivíduo, e gerou a tabela abaixo. 


Imagem associada para resolução da questão


À luz da LGPD, o tratamento realizado por Paulo foi: 

-

bloqueio;

-

anonimização; 

-

difusão;

-

classificação; 

-

extração.


Questão: 93 / QT-345438
Ano: 2021
Banca: FGV
Órgão: Prefeitura de Paulínia - SP
Cargo: Engenheiro Elétrico
Disciplina: Engenharia Elétrica
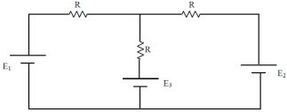
A figura abaixo apresenta um circuito composto por três resistores iguais a 10 O e três fontes contínuas E1, E2, e E3.
Imagem associada para resolução da questão

Sabendo-se que E1 = 120 V e E2 = 90 V, para que a corrente elétrica no ramo central do circuito seja igual a zero, a tensão da fonte E3 deve ser, em volts, igual a

-

120 V.

-

105 V.

-

90 V.

-

85 V.

-

70 V.


Questão: 94 / QT-345439
Ano: 2021
Banca: FGV
Órgão: Prefeitura de Paulínia - SP
Cargo: Engenheiro Elétrico
Disciplina: Engenharia Elétrica
Um circuito é composto por um resistor em série com um capacitor de capacitância igual a (200/p) µF. A fonte que alimenta esse circuito é senoidal na frequência de 100 Hz e possui valor eficaz de 250 V.

Para que a corrente elétrica eficaz seja igual a 5 A, o resistor deve ser igual

-

50 O.

-

50v3 O.

-

25 O.

-

25v3 O.

-

15 O.


Questão: 95 / QT-345440
Ano: 2021
Banca: FGV
Órgão: Prefeitura de Paulínia - SP
Cargo: Engenheiro Elétrico
Disciplina: Engenharia Elétrica
Em uma fábrica existem vários equipamentos que, em conjunto, perfazem 120 kVA de potência com fator de potência de 0,866 indutivo. Além dos equipamentos mencionados, também existe um motor síncrono que opera na potência de 80 kW.

A potência aparente em que o motor deve operar, para que o fator de potência da fábrica passe a ser igual à unidade, é

-

60 kVA.

-

80 kVA.

-

100 kVA.

-

180 kVA.

-

200 kVA. 



pub21trf
Ebook - Orações & Frases Motivacionais para Estudantes e Concurseiros

Ao adquirir nosso ebook você estará ajudando a manter os serviços do site VagasApp totalmente gratuito.
Garantindo que todos continuem tendo acesso a informações completas e atualizadas sobre concursos públicos.
Sua contribuição é essencial para o desenvolvimento de novas funcionalidades e rankings de classificação e convocação cada vez mais precisos.

Nossa gratidão por sua colaboração.

Clique Aqui para Adquirir nosso ebook por apenas R$ 14,99

Skip to main content